News
Article
Brüel & Kjær Vibro (B&K Vibro) was selected to supply its VC-8000 protection system and replace the legacy system for the M701F3 and F4 gas turbines manufactured in China.
Brüel & Kjær Vibro (B&K Vibro) was selected to supply its VC-8000 protection system and replace the legacy system for the M701F3 and F4 gas turbines manufactured in China. In a joint venture, Dongfang Electric Corp. (DEC), a Chinese manufacturer of power plant machinery, and Mitsubishi Heavy Industries Power Systems (MHPS) manufacture, install, and service M701F3 and F4 gas turbines for combined-cycle power plants throughout China.
DEC photo of the M701F gas turbine. Credit: B&K Virbo

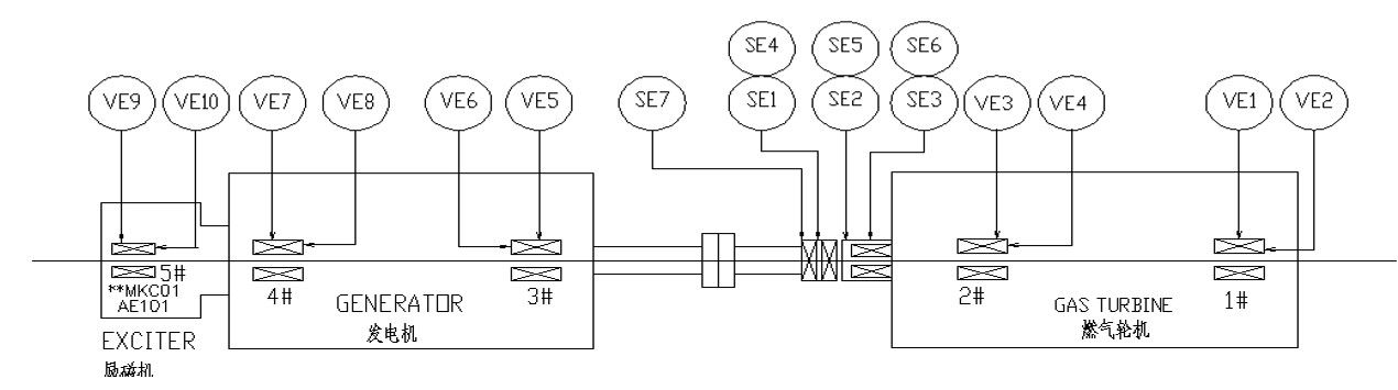
The gas turbine, generator, and exciter will be monitored by a pair of B&K Vibro ds822 X-Y displacement sensors at each bearing of the turbo-generating train. In addition to the sensors for monitoring the shafts and bearings, several ds822 displacement sensors will also be installed for phase/reference/speed measurements and for overspeed monitoring.
Sensors installed on the M701F gas turbine for protection monitoring. There are currently no axial or casing vibration measurements being monitored. Credit: B&K Virbo

The VC-8000 takes in the vibration data for processing, monitors these to alarm limits, generates alerts and a machine trip in case of exceeded alarm limits, and sends data to the turbine supervisory system and operators for control and monitoring purposes.
DEC is expected to install the VC-8000 systems on 20 joint-venture M701F gas turbines every year. Each gas turbine will primarily be used for building energy-efficient and low-emission combined-cycle power plants throughout China.
The first M701F gas turbine with the VC-8000 protection system was installed at the Chongqing Tiantai power station in March 2023.
Power your knowledge with the latest in turbine technology, engineering advances, and energy solutions—subscribe to Turbomachinery International today.