
Cleaning of lube oil and hydraulic systems increases uptime.

Cleaning of lube oil and hydraulic systems increases uptime.

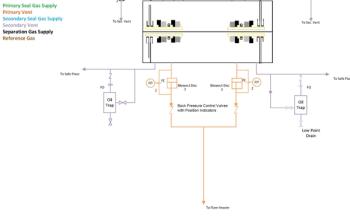
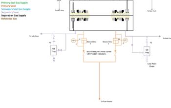
Operation of an integrated control system.

Measuring rotating temperature and strain in gas turbines.

Hydrogen is top of mind at Solar Turbines, a mainstay of the turbomachinery industry for decades.

How to implement proactive monitoring.

The latest products, services, and trends including hydrogen compression, carbon capture, and bigger machines.

Real-world operational turbomachinery problems can be challenging. Fast decision making is often required.


Turbomachinery International attended the ribbon-cutting ceremony of the Elliott Group’s new $60 million cryogenic pump test facility.